
Model CD74TBR is an inferential type, single stream vane wheel, wet dial water meter, and it’s suitable for domestic use. Brass body and adopt all antiseptic material, no leak.
WORKING CONDITION:
*The max. admissible water pressure:1.6MPa(16bar)
*Water temp. : not more than 50℃ (cold water meter),
not more than 90℃ (hot water meter)
NOTE: The technical data conform to ISO4064 standard, class B.
Maximum permissible error:
Between qt (included) and qs is:
— ±2% for water having a temperature ≤50℃;
— ±3% for water having a temperature >50℃ and ≤90℃.
Between qmin and qt (excluded) is ±5%.
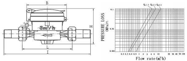
FLOW-ERROR CURVE
SPECIFICATION AND OVERAL DIMENSIONS
|
Description |
Unit |
Hydraulic data and dimensions |
|
Nominal size |
mm |
15 |
20 |
25 |
|
inch |
1/2 |
3/4 |
1 |
|
Overload flow-rate (qs) |
m3/h |
3 |
5 |
7 |
|
Permanent flow-rate (qp) |
m3/h |
1.5 |
2.5 |
3.5 |
|
Transitional flow-rate (qt) |
m3/h |
0.12 |
0.2 |
0.28 |
|
Minimum flow-rate (qmin) |
m3/h |
0.03 |
0.05 |
0.07 |
|
Max. reading |
m3 |
99999.9999 |
99999.9999 |
99999.9999 |
|
Min. reading |
m3 |
0.00005 |
0.00005 |
0.00005 |
|
Max. working pressure |
MPa |
1.6 |
1.6 |
1.6 |
|
ΔP at the qs |
MPa |
≤0.1 |
≤0.1 |
≤0.1 |
|
L |
mm |
110 |
130 |
160 |
|
I |
mm |
190 |
230 |
280 |
|
H |
mm |
89 |
89 |
89 |
|
B |
mm |
88 |
88 |
88 | OVERALL DIMENSIONS PRESSURE LOSS CURVE
 |